浙江康劲机械有限公司
咨询热线:
17858585702
网站首页
公司介绍
产品中心
螺杆式空气压缩机
履带式潜孔钻机系列
配件
潜孔钻机系列
供应信息
公司资讯
新闻资讯
企业图集
联系我们
商盟认证
网站首页
公司介绍
产品中心
供应信息
公司资讯
企业图集
联系我们
商盟认证
产品中心
螺杆式空气压缩机
履带式潜孔钻机系列
配件
潜孔钻机系列
联系我们
Contact Us
咨询热线:
17858585702
联系人:
余经理
Q Q:
电 话:
0570-3089968
传 真:
0570-3089968
邮 箱:
0570-3089968
网 址:
www.zjkangjin.com
地 址:
浙江省衢州市经济开发区东港九路2号
产品展示
您当前的位置:
网站首页
产品中心
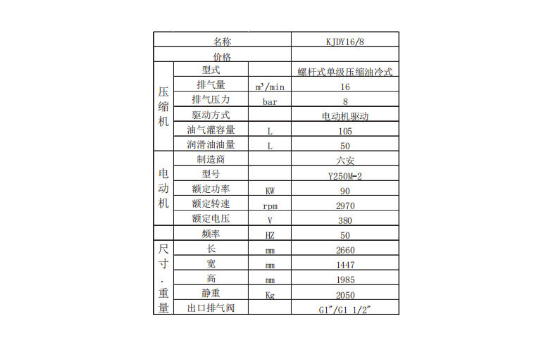
116-8电动
查看分类
116-8电动
上一个产品
下一个产品
相关产品
KY940B
KJDY24-8-电移
10-14.5国三柴动
配件
0570-3089968
<
在
线
洽
谈
商盟客服
>
您好,欢迎莅临康劲机械,欢迎咨询...
余经理:
触屏版二维码
触屏版二维码